
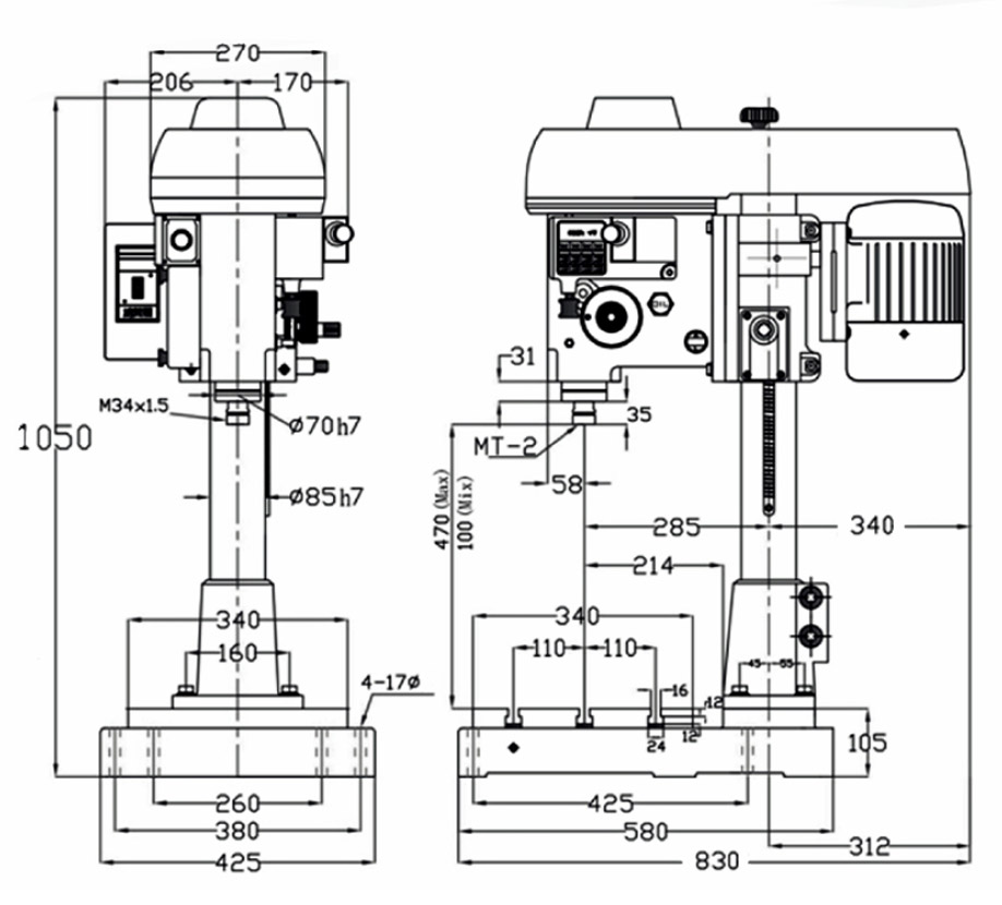
主軸型式-主軸斜度 : MT2
主軸型式-鼻端斜度 : JT6
工作能力-中碳鋼 : 5-16m
主軸行程 : 65mm
馬達 : 1HP-6P
主軸轉速(段數)-50HZ : 155-515
主軸轉速(段數)-60HZ : 190-620
重量 : 200kg
-
進刀方式 : 自動攻牙機
主軸型式-主軸斜度 : MT2
主軸型式-鼻端斜度 : JT6
工作能力-中碳鋼 : 5-16
主軸型程 : 65mm
馬達 : 1HP-6P
主軸轉速(段數)-50HZ : 155-515(3)
主軸轉速(段數)-60HZ : 190-620(3)
重量 : 200kg
溫馨提示 :
1.實際工作能力與刀具稅力度、潤滑以及冷卻有密切關係。
2.特殊材質、尺寸須配合特製專速。
-
攻牙機規格進刀方式 : 自動攻牙機
主軸型式-主軸斜度 : MT2
主軸型式-鼻端斜度 : JT6
工作能力-中碳鋼 : 5-16
主軸型程 : 65mm
馬達 : 1HP-6P
主軸轉速(段數)-50HZ : 155-515(3)
主軸轉速(段數)-60HZ : 190-620(3)
重量 : 200kg
溫馨提示 :
1.實際工作能力與刀具稅力度、潤滑以及冷卻有密切關係。
2.特殊材質、尺寸須配合特製專速。
集專業技術與精湛工藝於一體,完美展現攻牙機台製造的匠心之處。
Combining professional expertise with exquisite craftsmanship, perfectly showcasing the meticulous dedication in the manufacturing of tapping machines.


- 100%台灣製造,堅持給客戶最好的攻牙機台。
- 自動攻牙機台整體工藝精湛,精度一流。
- 攻牙機台堅固耐用,耐操度全台領先。
- 經典熱銷款設計,可坐臥式攻牙機台使用,廣泛運用在各式專用機、工具機與加工機的製作。
相關攻牙機台推薦

自動攻牙機HD-AT12
13mm高精密度搭配自動進刀
進刀方式 : 自動
主軸型式-主軸斜度 : MT2
主軸型式-鼻端斜度 : JT6
工作能力-中碳鋼 : 3-13
主軸行程 : 93mm
馬達 : 1HP-4P
主軸轉速(段速)-50HZ : 256-1278
主軸轉速(段速)-60HZ : 308-1534
重量 : 112kg

自動攻牙機HD-AT19
20mm高精密度搭配自動進刀
進刀方式 : 自動
主軸型式-主軸斜度 : MT3
主軸型式-鼻端斜度 : JT6
工作能力-中碳鋼 : 5-20
主軸行程 : 133mm
馬達 : 2HP-6P
主軸轉速(段速)-50HZ : 166-829
主軸轉速(段速)-60HZ : 200-995
重量 : 234kg

自動攻牙機HT1-203
8mm自動進刀
進刀方式 : 自動
主軸型式-主軸斜度 : X
主軸型式-鼻端斜度 : JT2
工作能力-中碳鋼 : 2-8
主軸行程 : 45mm
馬達 : 1/2HP-4P
主軸轉速(段速)-50HZ : 420-1340
主軸轉速(段速)-60HZ : 500-1600
重量 : 97kg

自動攻牙機HT1-231
32mm自動進刀
進刀方式 : 自動
主軸型式-主軸斜度 : MT3
主軸型式-鼻端斜度 : JT6
工作能力-中碳鋼 : 10-32
主軸行程 : 65mm
馬達 : 2HP-6P
主軸轉速(段速)-50HZ : 50-200
主軸轉速(段速)-60HZ : 60-240
重量 : 250kg
6大安心保證
選擇我們 選擇專業
歡迎試機
如果您對我們的自動攻牙機台感興趣,但希望確認其適用性,我們誠摯邀請您到我們的工廠親自試機。地址:台中市大里區工業十一路115號,請務必提前來電預約,以免讓您久等。工具機
半年保固
我們為所有自動攻牙機台提供六個月的保固服務,確保您的攻牙機台在初期操作中的穩定性,讓您無後顧之憂,至於皮帶、軸承不包含在內,因為以上兩個均屬消耗品,請須知。工具機
售後服務
我們擁有專業的技術支援團隊,如果自動攻牙機台有任何問題,歡迎來電諮詢:04-24930678,或使用線上諮詢功能(LINE@或WhatsAPP),我們會為您提供專業的售後服務,快速解決您所遇到的技術問題,確保您的自動攻牙機台能長期而穩定的運作。工具機
庫存無憂
我們公司為所有攻牙機備有充足的配件庫存,確保後續攻牙機維修與更零件時皆有現貨可以供應,讓您無須擔心零件短缺的問題。工具機
客製服務
如果您想要訂製專用攻牙機、攻牙機夾頭、治具或夾具等設計需求,我們有專門的部門可以為您提供客製化的服務,滿足您多種攻牙加工的需求,進而提高您的生產效率。工具機
物超所值
我們的自動攻牙機台擁有卓越的品質與極具競爭力的價格,讓您以合理的成本獲得最高效能的自動攻牙機台設備,實現最佳的投資回報。工具機
仩鑽機械有限公司-BEECNC