













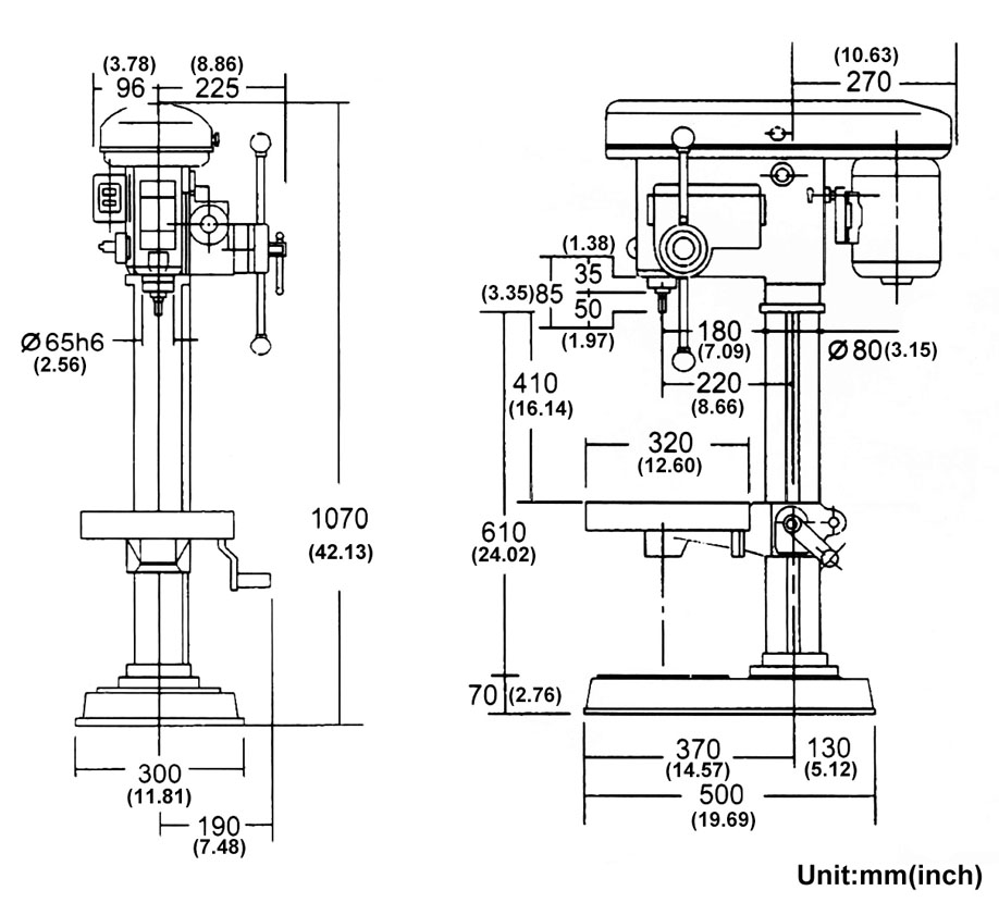
主軸型式-主軸斜度 : MT2
主軸型式-鼻端斜度 : JT6
工作能力-中碳鋼 : 3-16
主軸行程 : 100mm
馬達 : 1HP-4P
主軸轉速(段數)-50HZ : 190-2800
主軸轉速(段數)-60HZ : 240-3400
電壓 : 雙相電 三相電 (兩種可以選)
重量 : 94kg
-
進刀方式 : 手動
主軸型式-主軸斜度 : MT2
主軸型式-鼻端斜度 : JT6
工作能力-中碳鋼 : 3-16
主軸型程 : 100mm
馬達 : 1HP-4P
主軸轉速(段數)-50HZ : 190-2800(9)
主軸轉速(段數)-60HZ : 240-3400(9)
電壓 : 雙相電 三相電 (兩種可以選)
重量 : 94kg
溫馨提示 :
1.實際工作能力與刀具銳力度、潤滑以及冷卻有密切關係。
2.特殊材質、尺寸須配合特製專速。
-
鑽孔機器規格進刀方式 : 手動
主軸型式-主軸斜度 : MT2
主軸型式-鼻端斜度 : JT6
工作能力-中碳鋼 : 3-16
主軸型程 : 100mm
馬達 : 1HP-4P
主軸轉速(段數)-50HZ : 190-2800(9)
主軸轉速(段數)-60HZ : 240-3400(9)
電壓 : 雙相電 三相電 (兩種可以選)
重量 : 94kg
溫馨提示 :
1.實際工作能力與刀具銳力度、潤滑以及冷卻有密切關係。
2.特殊材質、尺寸須配合特製專速。
集專業技術與精湛工藝於一體,完美展現鑽孔機器製造的匠心之處。
Combining expertise and craftsmanship, it showcases the artisanal quality in drill press manufacturing.








- 100%台灣製造,堅持給客戶最好的鑽孔機器。
- 鑽孔機器整體工藝精湛,精度一流。工具機
- 所有鑽孔機器都已FC20鑄鐵打造,機組堅固耐用,鑽孔機器作業過程穩定不易搖晃。
- 手動操作模式配合穩定準確的主軸心設計,為您提供最佳的作業精準度。
-
鑽孔機器平台垂直角度經多次的校驗調整,全系列水平誤差均在0.05m.m以下。
裝卸夾頭操作說明
更換皮帶操作說明
相關鑽孔機器推薦

手動鑽孔機器HD-25
25mm標準手動鑽床
進刀方式 : 手動
主軸型式-主軸斜度 : MT3
主軸型式-鼻端斜度 : JT6
工作能力-中碳鋼 : 5-25
主軸行程 : 140mm
馬達 : 2HP-6P
主軸轉速(段速)-50HZ : 160-1342
主軸轉速(段速)-60HZ : 190-1610
重量 : 199kg

手動鑽孔機器HD-14I
16mm電子無段變速
進刀方式 : 手動
主軸型式-主軸斜度 : MT2
主軸型式-鼻端斜度 : JT6
工作能力-中碳鋼 : 3-16
主軸行程 : 100mm
馬達 : 1HP-4P
主軸轉速(段速)-50HZ : 400-2700
主軸轉速(段速)-60HZ : 400-2700
重量 : 95kg

手動鑽孔機器HD-14
16mm標準手動鑽床
進刀方式 : 手動
主軸型式-主軸斜度 : MT2
主軸型式-鼻端斜度 : JT6
工作能力-中碳鋼 : 3-16
主軸行程 : 100mm
馬達 : 1HP-4P
主軸轉速(段速)-50HZ : 480-2300
主軸轉速(段速)-60HZ : 550-2700
重量 : 91kg
6大安心保證
選擇我們 選擇專業
歡迎試機
如果您對我們的蜜蜂鑽孔機器感興趣,但希望確認其適用性,我們誠摯邀請您到我們的工廠親自試機。地址:台中市大里區工業十一路115號,請務必提前來電預約,以免讓您久等。
半年保固
我們為所有鑽孔機器提供六個月的保固服務,確保您的鑽孔機器在初期操作中的穩定性,讓您無後顧之憂,至於皮帶、軸承不包含在內,因為以上兩個均屬消耗品,請須知。加工機
售後服務
我們擁有專業的技術支援團隊,如果鑽孔機器有任何問題,歡迎來電諮詢:04-24930678,或使用線上諮詢功能(LINE@或WhatsAPP),我們會為您提供專業的售後服務,快速解決您所遇到的技術問題,確保您的鑽孔機器能長期而穩定的運作。加工機
庫存無憂
我們公司為所有鑽孔機器備有充足的配件庫存,確保後續維修與更零件時皆有現貨可以供應,讓您無須擔心零件短缺的問題,絕對是您值得信賴的鑽孔機廠商。加工機
客製服務
如果您想要訂製鑽孔專用機、鑽床夾頭、治具或夾具等設計需求,我們有專門的部門可以為您提供客製化的服務,滿足您多種鑽孔加工的需求,進而提高您的生產效率。工具機
物超所值
我們的鑽孔機器擁有卓越的品質與極具競爭力的價格,讓您以合理的成本獲得最高效能的鑽孔機器設備,實現最佳的投資回報。加工機
仩鑽機械有限公司-BEECNC